蝶阀系列 当前位置: jinnian.vip> 产品中心> 蝶阀系列> 法兰蝶阀
![]() |

手动伸缩蝶阀适用于温度≤80℃,公称压力≤1.6MPa的食品、医药、化工、石油、电力、轻纺、造纸等给排水、气体管道上作调节流量和截流介质的作用,具有补偿管道热胀冷缩的功能。
产品详情
法兰伸缩蝶阀特点
1、设计新颖、合理、结构独特、重量轻、操作方便、启闭迅速;
2、伸缩蝶阀除了能作调节和截流作用、补偿管道温差所产生的热胀冷缩功能外,还能为安装更换、维修阀门提供方便。
3、密封部位可调节更换、密封性能可靠等特点。
法兰伸缩蝶阀主要技术参数
公称通径 | DN(mm) | 50~2000 | ||
公称压力 | PN(MPa) | 0.6 | 1.0 | 1.6 |
试验压力 | 强度试验 | 0.9 | 1.5 | 2.4 |
密封试验 | 0.66 | 1.1 | 1.76 | |
气密封试验 | 0.6 | 0.6 | 0.6 | |
适用温度 | ≤80℃ | |||
适用介质 | 空气、水、蒸气、煤气、油品等。 | |||
驱动形式 | 手动、蜗杆蜗轮传动、气传动、电传动。 | |||
法兰伸缩蝶阀主要零件的材质
零件名称 | 材料 |
阀体 | 铸铁、铸钢、不锈钢、铬钼钢、合金钢 |
蝶板 | 铸钢、合金钢、不锈钢、铬钼钢 |
密封圈 | 橡胶、聚四氟、聚内脂、不锈钢 |
阀杆 | 2Cr13、不锈钢、铬钼钢 |
伸缩管 | 铸铁、铸钢、不锈钢、铬钼钢 |
填料 | 柔性石墨 |
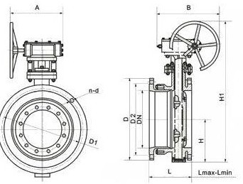
法兰伸缩蝶阀结构图

法兰伸缩蝶阀主要连接及外形尺寸
公称通径 | 外形尺寸(参考值) | 法兰尺寸和螺栓孔尺寸(标准值) | ||||||||||
H | H1 | 最大长度 | 最小长度 | 设计长度 | A | B | 0.6MPa | |||||
mm | in | D | D1 | D2 | n-d | |||||||
50 | 2 | 80 | 309 | 164 | 138 | 151 | 180 | 200 | 140 | 110 | 88 | 4-14 |
65 | 21/2 | 95 | 337 | 190 | 154 | 172 | 180 | 200 | 160 | 130 | 108 | 4-14 |
80 | 3 | 98 | 347 | 198 | 166 | 182 | 180 | 200 | 190 | 150 | 124 | 4-18 |
100 | 4 | 114 | 373 | 228 | 188 | 208 | 180 | 200 | 210 | 170 | 144 | 4-18 |
125 | 5 | 128 | 405 | 240 | 204 | 550 | 180 | 200 | 240 | 200 | 174 | 8-18 |
150 | 6 | 139 | 440 | 246 | 206 | 226 | 270 | 280 | 265 | 225 | 199 | 8-18 |
200 | 8 | 174 | 612 | 265 | 219 | 242 | 400 | 425 | 320 | 280 | 254 | 8-18 |
250 | 10 | 215 | 693 | 295 | 240 | 267 | 400 | 425 | 375 | 335 | 309 | 12-18 |
300 | 12 | 245 | 747 | 308 | 265 | 282 | 450 | 560 | 440 | 395 | 363 | 12-22 |
350 | 14 | 270 | 802 | 327 | 272 | 300 | 450 | 560 | 490 | 445 | 413 | 12-22 |
400 | 16 | 305 | 991 | 368 | 308 | 338 | 535 | 580 | 540 | 495 | 163 | 16-22 |
450 | 18 | 325 | 1037 | 370 | 310 | 340 | 535 | 580 | 595 | 550 | 518 | 16-22 |
500 | 20 | 360 | 1127 | 392 | 332 | 362 | 535 | 580 | 645 | 600 | 568 | 20-22 |
600 | 24 | 445 | 1377 | 441 | 375 | 408 | 570 | 660 | 755 | 705 | 667 | 20-26 |
700 | 28 | 505 | 1496 | 460 | 400 | 430 | 750 | 550 | 860 | 810 | 772 | 24-26 |
800 | 32 | 560 | 1584 | 499 | 445 | 475 | 750 | 550 | 975 | 920 | 878 | 24-30 |
900 | 36 | 630 | 1676 | 520 | 460 | 490 | 750 | 550 | 1075 | 1020 | 978 | 24-30 |
1000 | 40 | 680 | 1760 | 600 | 530 | 565 | 900 | 750 | 1175 | 1120 | 1078 | 28-30 |
1200 | 48 | 795 | 2018 | 675 | 571 | 623 | 1000 | 925 | 1405 | 1340 | 1295 | 32-33 |
1400 | 56 | 900 | 2363 | 760 | 683 | 722 | 1000 | 925 | 1630 | 1560 | 1510 | 36-36 |
1600 | 64 | 1100 | 2723 | 860 | 770 | 815 | 1000 | 925 | 1830 | 1760 | 1710 | 40-36 |
1800 | 72 | 1124 | 2844 | 930 | 830 | 880 | 1100 | 980 | 20475 | 1970 | 1718 | 44-39 |
2000 | 80 | 1292 | 3127 | 1020 | 920 | 970 | 1100 | 980 | 2265 | 2180 | 2125 | 48-42 |
上一条:DS341X伸缩蝶阀
下一条:D342X双偏心软密封蝶阀