蝶阀系列 当前位置: jinnian.vip> 产品中心> 蝶阀系列> 对夹式气动硬密封蝶阀
![]() |

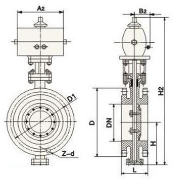
本公司生产的蝶阀是三偏心金属对夹式气动硬密封蝶阀,阀体和阀座为连体构件,阀座密封表面层堆焊耐温、耐蚀合金材料。多层软叠式密封圈固定在阀板上,这种蝶阀与传统蝶阀相比具有耐高温,操作轻便,启闭无磨擦,关闭时随着传动机构的力矩增大来补偿密封,提高了蝶阀的密封性能及延长使用寿命的优点。驱动方式可分为电动,气动,液动。购买时详细咨询客服,对夹式气动硬密封蝶阀适用于食品、医药、石油化工、工业环境及高层建筑和管道上作调节流量和截断流体最佳装置。
点击查看对夹式硬密封蝶阀结构特点
产品详情
对夹式气动硬密封蝶阀主要技术参数
公称通径 | DNmm50-1200 | ||||
公称压力 | PNMPa | 1.0 | 1.6 | 2.5 | 4.0 |
试验压力 | 强度试验 | 1.5 | 2.4 | 3.75 | 6.0 |
密封试验 | 1.1 | 1.76 | 2.75 | 4.4 | |
适用介质 | 水、蒸汽、油品、酸类腐蚀性等 | ||||
适用温度 | -40℃-600℃ | ||||

对夹式气动硬密封蝶阀主要零部件材料
名称 | 材 料 |
阀体 | 铸钢、不锈钢、铬钼钢 |
蝶板 | 铸钢、化合金钢(镀硬铬)不锈钢、铬钼钢 |
阀杆 | 2Cr13、1Cr13不锈钢、铬钼钢 |
密封圈 | 不锈钢、聚内脂、抗磨材料、氟塑料 |
填料 | 柔性石墨 |
上一条:D341W通风蝶阀
下一条:D342X双偏心软密封蝶阀