蝶阀系列 当前位置: jinnian.vip> 产品中心> 蝶阀系列> 气动通风蝶阀
![]() |

D641H、D341W 型 PN0.5~PN1 通风蝶阀是一种非密闭型蝶阀,在冶金、化工、建材、电站、玻璃等行业中的通风、环保工程的含尘冷风或热风气体管道中,碟板在90°范围内自由转动以达到启闭或调节介质流量的目的。作为气体介质调节流量或切断装置。
产品详情
气动通风蝶阀特点
1、采用中线式碟板与短结构钢板焊接的新型结构形式设计制造的,结构紧凑、重量轻、便于安装、流阻小、流通量大,避免高温膨胀的影响,操作轻便
2、内无连杆、螺栓等、工作可靠、使用寿命长。可以多工位安装,不受介质流向影响
D641W产品型号解析:
阀门类型代号:“D”表示蝶阀
传动形式代号:“6”表示气动
连接形式代号:“4”表示法兰式连接
传动形式代号:“1”表示单偏心中线结构
密封面材料代号:“W”表示本体材料金属硬密封
气动通风蝶阀具体型号有:
D641W-0.5,D641W-2.5,D641W-1.0,D641W-1,D641W-6
D641W-0.5C,D641W-2.5C,D641W-1.0C,D641W-1C,D641W-6C
D641W-0.5P,D641W-2.5P,D641W-1.0P,D641W-1P,D641W-6P
D641w通风蝶阀的安装
1.安装位置、高度、进出口方向必须符合设计要求,注意介质流动的方向应与阀体所标箭头方向一致,连接应牢固紧密。
2.阀门安装前必须进行外观检查,阀门的铭牌应符合现行国家标准《通用阀门标志》GB 12220的规定。对于工作压力大于1.0 MPa 及在主干管上起到切断作用的阀门,安装前应进行强度和严密性能试验,合格后方准使用。强度试验时,试验压力为公称压力的1.5倍,持续时间不少于5min,阀门壳体、填料应无渗漏为合格。严密性试验时,试验压力为公称压力的1.1倍;试验持续的时间符合GB 50243要求。
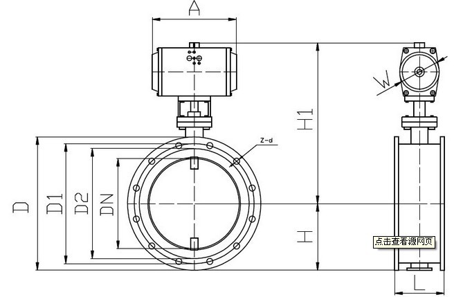
气动通风蝶阀结构图片

气动通风蝶阀主要外形和连接尺寸
公称通径 | 主要外形尺寸和连接尺寸 | |||||||
L | D1 | D | Z-d | H | H0 | A | B | |
50 | 108 | 110 | 140 | 4-14 | 70 | 215 | 270 | 65 |
65 | 112 | 130 | 160 | 4-14 | 80 | 235 | 270 | 65 |
80 | 124 | 150 | 190 | 4-18 | 95 | 263 | 270 | 65 |
100 | 127 | 170 | 210 | 4-18 | 105 | 283 | 270 | 65 |
125 | 140 | 200 | 240 | 8-18 | 120 | 313 | 310 | 65 |
150 | 140 | 225 | 265 | 8-18 | 132.5 | 338 | 310 | 65 |
200 | 152 | 280 | 320 | 8-18 | 160 | 493 | 365 | 90 |
250 | 165 | 335 | 375 | 12-18 | 187.5 | 550 | 365 | 90 |
300 | 178 | 395 | 440 | 12-22 | 220 | 615 | 365 | 90 |
350 | 190 | 445 | 490 | 12-22 | 245 | 678 | 365 | 90 |
400 | 216 | 495 | 540 | 16-22 | 270 | 727 | 365 | 90 |
450 | 222 | 550 | 595 | 16-22 | 297.5 | 782 | 365 | 90 |
上一条:电动通风蝶阀
下一条:D342X双偏心软密封蝶阀