蝶阀系列 当前位置: jinnian.vip> 产品中心> 蝶阀系列> 气动蝶阀
![]() |

D673不锈钢气动蝶阀的蝶板安装于管道的直径方向。在蝶阀阀体圆柱形通道内,圆盘形蝶板绕着轴线旋转,旋转角度为0°~90°之间,旋转到90°时,阀门则牌全开状态。蝶阀的结构原理尤其适合制作大口径阀门。蝶阀不仅在石油、煤气、化工、水处理等一般工业上得到广泛应用,而且还应用于热电站的冷却水系统。
产品详情
不锈钢气动蝶阀D673h特点
蝶阀结构简单、体积小、重量轻,只由少数几个零件组成。而且只需旋转90°即可快速启闭,操作简单,同时该电动阀门具有良好的流体控制特性。D673不锈钢气动蝶阀处于完全开启位置时,蝶板厚度是介质流经阀体时唯一的阻力,因此通过该阀门所产生的压力降很小,故具有较好的流量控制特性。
不锈钢蝶阀性能:
公称通径 | DN(mm) | 50~150 | ||
公称压力 | PN(MPa) | 1.0 | 1.6 | 2.5 |
试验压力 | 强度试验 | 1.5 | 2.4 | 3.75 |
密封试验 | 1.1 | 1.76 | 2.75 | |
气密封试验 | 0.6 | 0.6 | 0.6 | |
适用介质 | 水、蒸汽、油品、酸类腐蚀性等。 | |||
适用温度 | -40℃~600℃ | |||
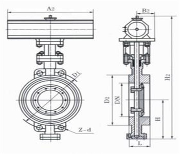
不锈钢气动蝶阀结构图:

不锈钢气动蝶阀尺寸:
公称通径 | 结构长度 | 外形尺寸(参考值) | 法兰尺寸和螺栓孔尺寸 | 参考重量 | |||||||||||
1.0MPa | 1.6MPa | 2.5MPa | |||||||||||||
毫米 | 英寸 | L | L2 | H | H1 | D1 | Z-d | a | D1 | Z-d | a | D1 | Z-d | a | (kg) |
50 | 2 | 43 | 265 | 330 | 250 | 125 | 4-18 | 90° | 125 | 4-18 | 90° | 125 | 4-18 | 90° | 8 |
65 | 21/2 | 46 | 265 | 362 | 267 | 145 | 4-18 | 90° | 145 | 4-18 | 90° | 145 | 4-18 | 90° | 9 |
80 | 3 | 49 | 320 | 375 | 275 | 160 | 8-18 | 45° | 160 | 8-18 | 45° | 160 | 8-18 | 45° | 11 |
100 | 4 | 56 | 320 | 410 | 295 | 180 | 8-18 | 45° | 180 | 8-18 | 45° | 190 | 8-22 | 45° | 13 |
125 | 5 | 64 | 340 | 425 | 305 | 210 | 8-18 | 45° | 210 | 8-18 | 45° | 220 | 8-26 | 45° | 22 |
150 | 6 | 70 | 390 | 465 | 320 | 240 | 8-22 | 45° | 240 | 8-22 | 45° | 250 | 8-26 | 45° | 24 |
上一条:气动高性能蝶阀
下一条:D342X双偏心软密封蝶阀