蝶阀系列 当前位置: jinnian.vip> 产品中心> 蝶阀系列> D43H手动硬密封蝶阀
![]() |

D43H手动硬密封蝶阀采用三偏心密封结构,阀座与蝶板几乎无磨损,具有越观越紧的密封功能。密封圈选用不锈钢制作,具有金属硬密封和弹性密封的双重优点,无论在低温和高温的情况下,均具有优良的密封性能,具有耐腐蚀,使用寿命长等特点。被广泛用于:化工、石化、冶炼、医药、食品等行业中SO2、蒸汽、空气、煤气、氨气、CO2气、油品、水、盐水、碱液、海水、硝酸、盐酸、硫酸、磷酸等介质的管路上作为调节和截流装置使用。
产品详情
D43H手动硬密封蝶阀产品特点
1、采用三偏心密封结构,阀座与蝶板几乎无磨损,具有越观越紧的密封功能
2、密封圈选用不锈钢制作,具有金属硬密封和弹性密封的双重优点,无论在低温和高温的情况下,均具有优良的密封性能,具有耐腐蚀,使用寿命长等特点
3、蝶板密封面采用堆焊钴基硬质合金,密封面耐磨损,使用寿命长
4、大规格蝶板采用绗架结构,强度高,过流面积大,流阻小
5、金属硬密封蝶阀具有双向密封功能,安装时不受介质流向的限制,也不受空间位置的影响,可在任何方向安装
6、驱动装置可以多工位(旋转90°或180°)安装,便于用户使用
D43H手动硬密封蝶阀主要零件材料
名称 | 材料 |
阀体 | 碳钢、不锈钢、铬钼钒钢 |
阀板 | 碳钢、不锈钢、铬钼钒钢 |
阀杆 | 2Cr13不锈钢、铬钼钒钢 |
密封圈 | 不锈钢、聚四氟乙烯 |
填料 | 柔性石墨、聚四氟乙烯 |
D43H手动硬密封蝶阀主要技术参数
公称通径 | DNmm | 50-150 | ||
公称压力 | PNMPa | 1.0 | 1.6 | 2.5 |
试验压力PsMPa | 强度试验 | 1.5 | 2.4 | 3.75 |
密封试验 | 1.1 | 1.76 | 2.75 | |
气密封试验 | 0.5-0.7MPa | |||
适用介质 | 水、油品、蒸气、酸、减等 | |||
适用温度 | -40℃-570℃ | |||
D43H手动硬密封蝶阀执行标准
设计规范: | GB/T 12238 |
结构长度: | GB/T 12221 |
法兰连接: | GB/T 9113 |
试验与检验: | GB/T 13927 |
产品标识: | GB/T 12220 |
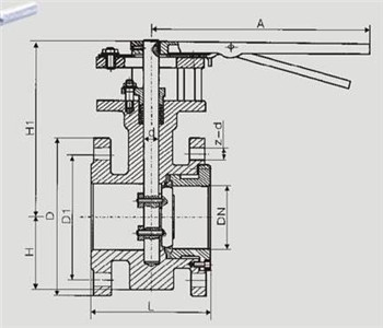
D43H手动硬密封蝶阀图例

D43H手动硬密封蝶阀外形主要连接尺寸
通径 | 主要尺寸 | 1.0-1.6MPa | 2.5MPa | |||||||||
mm | lncb | L | H | H1 | D | D1 | A | Z-φd | D | D1 | A | Z一φd |
50 | 2 | 108 | 75 | 192 | 165 | 125 | 275 | 4-18 | 165 | 125 | 275 | 4-18 |
65 | 21/2 | 112 | 93 | 218 | 185 | 145 | 275 | 4-18 | 185 | 145 | 275 | 8-18 |
80 | 3 | 114 | 110 | 230 | 200 | 160 | 275 | 8-18 | 200 | 160 | 275 | 8-18 |
100 | 4 | 127 | 140 | 240 | 220 | 180 | 275 | 8-18 | 235 | 190 | 275 | 8-22 |
125 | 5 | 140 | 175 | 290 | 250 | 210 | 362 | 8-18 | 270 | 220 | 362 | 8-26 |
150 | 6 | 140 | 180 | 310 | 285 | 240 | 362 | 8-22 | 300 | 250 | 362 | 8-26 |
上一条:中线蝶阀
下一条:D342X双偏心软密封蝶阀