蝶阀系列 当前位置: jinnian.vip> 产品中心> 蝶阀系列> 对夹蝶阀
![]() |

采用精密的J形弹性密封圈和三偏心多层次金属硬密封结构,具有良好的耐腐蚀性,使用寿命长,本阀有双向密封功能,产品符合国家GB/T13927-92阀门压力试验标准。被广泛用于介质温度≤425℃的治金 、电力、石油化工、以及给排水和市政建设等工业管道上,作调节流量和载断流体使用。
产品详情
气动对夹式蝶阀D673H特点
1、本阀采用三偏心密封结构,阀座与蝶板几乎无磨损,具有越观越紧的密封功能。
2、密封圈选用不锈钢制作,具有金属硬密封和弹性密封的双重优点,无论在低温和高温的情况下,均具有优良的密封性能,具有耐腐蚀,使用寿命长等特点。
3、碟板密封面采用堆焊钴基硬质合金,密封面耐磨损,使用寿命长.
4、大规格蝶板采用绗架结构,强度高,过流面积大,流阻小。
5、本阀具有双向密封功能,安装时不受介质流向的限制,也不受空间位置的影响,可在任何方向安装。
6、驱动装置可以多工位(旋转90°或180°)安装,便于用户使用。
气动对夹式蝶阀主要技术参数
公称通经DN(mm) | 50~2000 | |||
公称药理PN(MPa) | 0.6 | 1.0 | 1.6 | 2.5 |
密封试验(MPa) | 0.66 | 1.1 | 1.76 | 2.75 |
强度试验(MPa) | 0.9 | 1.5 | 2.4 | 3.75 |
适用温度 | 碳钢:-29℃~425℃ 不锈钢:-40℃~650℃ | |||
适用介质 | 水、空气、天然气、油品及弱腐蚀性流体 | |||
泄漏率 | 符合GB/T13927-92标准 | |||
驱动方式 | 蜗轮传动、电动、气动、液动 | |||
气动对夹式蝶阀主要零部件材料
零件名称 | 材料 |
阀体 | WCB、合金钢、不锈钢、QT450-10 |
蝶板 | WCB、合金钢、不锈钢、QT450-10 |
阀轴 | 2Cr13不锈钢、合金钢 |
密封圈 | 不锈钢圈 |
填料 | 柔性石墨 |
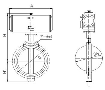
气动对夹式蝶阀采用标准结构图例
制造标准 | JB/T 8527-97 |
法兰标准 | GB9113-2000 |
结构长度标准 | GB12221-89 |
检验标准 | GB/T 13927-92 |
气动对夹式蝶阀采用标准结构图例

气动对夹式蝶阀D673H-10/16/气动对夹式硬密封蝶阀主要外形连接尺寸(单位:mm)
公称通经(DN) | 主要尺寸 | 法兰尺寸和螺栓规格 | |||||
1.0MPa | 1.6MPa | ||||||
L | H | H1 | D1 | 4-Ф-M | D1 | 4-Ф-M | |
50 | 43 | 625 | 112 | 125 | Ф18 | 125 | Ф18 |
65 | 46 | 625 | 115 | 145 | Ф18 | 145 | Ф18 |
80 | 49 | 645 | 120 | 160 | Ф18 | 160 | Ф18 |
100 | 56 | 675 | 138 | 180 | Ф18 | 180 | Ф18 |
125 | 64 | 715 | 164 | 210 | Ф18 | 210 | Ф18 |
150 | 70 | 800 | 175 | 240 | Ф23 | 240 | Ф23 |
200 | 71 | 850 | 208 | 295 | M20 | 295 | M20 |
250 | 76 | 925 | 243 | 350 | M20 | 355 | M24 |
300 | 83 | 1035 | 283 | 400 | M20 | 410 | M24 |
350 | 92 | 1070 | 310 | 460 | M20 | 470 | M24 |
400 | 102 | 1190 | 340 | 515 | M24 | 525 | M27 |
450 | 114 | 1250 | 380 | 565 | M24 | 585 | M27 |
500 | 127 | 1290 | 410 | 620 | M24 | 650 | M30 |
600 | 154 | 1455 | 470 | 725 | M27 | 770 | M33 |
700 | 165 | 1585 | 550 | 840 | M27 | 840 | M33 |
800 | 190 | 1700 | 640 | 950 | M30 | 950 | M36 |
900 | 203 | 1965 | 710 | 1050 | M30 | 1050 | M36 |
1000 | 216 | 2015 | 770 | 1160 | M33 | 1170 | M39 |
1200 | 254 | 2250 | 890 | 1380 | M36 | 1390 | M45 |
上一条:中线式对夹软密封蝶阀
下一条:D342X双偏心软密封蝶阀