蝶阀系列 当前位置: jinnian.vip> 产品中心> 蝶阀系列> 电动调节蝶阀
![]() |

结构简单、体积小、重量轻,只由少数几个零件组成。而且只需旋转90°即可快速启闭,操作简单,同时该电动阀门具有良好的流体控制特性。蝶阀处于完全开启位置时,蝶板厚度是介质流经阀体时唯一的阻力,因此通过该阀门所产生的压力降很小,故具有较好的流量控制特性。蝶阀的结构原理尤其适合制作大口径阀门。蝶阀不仅在石油、煤气、化工、水处理等一般工业上得到广泛应用,而且还应用于热电站的冷却水系统。
产品详情
电动调节蝶阀性能
公称通径 | DN(mm) | 50~300 | ||
公称压力 | PN(MPa) | 1.0 | 1.6 | 2.5 |
试验压力 | 强度试验 | 1.5 | 2.4 | 3.75 |
密封试验 | 1.1 | 1.76 | 2.75 | |
气密封试验 | 0.6 | 0.6 | 0.6 | |
适用介质 | 水、蒸汽、油品、酸类腐蚀性及粉尘颗粒物等; | |||
适用温度 | -40℃~600℃ | |||
驱动形式 | 手柄、涡轮、电动、气动、液动 | |||
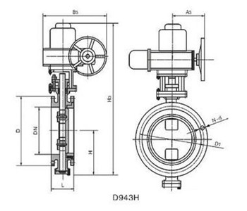
电动调节蝶阀结构图例

电动调节蝶阀主要尺寸参数
公称通径DN | L | D | D1 | n-d(mm) | H1 | H2 | 质量 | |
PN1.6 | PN1.6 | |||||||
50 | 108 | 165 | 125 | 4-18 | 4-18 | 91 | 120 | 8 |
65 | 112 | 185 | 145 | 4-18 | 4-18 | 104 | 140 | 11.5 |
80 | 114 | 200 | 160 | 8-18 | 8-18 | 107 | 150 | 12.5 |
100 | 127 | 220 | 180 | 8-18 | 8-18 | 135 | 165 | 23 |
125 | 140 | 250 | 210 | 8-18 | 8-18 | 129 | 190 | 40.5 |
150 | 140 | 285 | 240 | 8-22 | 8-22 | 131 | 205 | 46.5 |
200 | 152 | 340 | 295 | 8-22 | 12-22 | 177 | 2550 | 61 |
250 | 165 | 395 | 350 | 12-22 | 12-26 | 206 | 270 | 73.5 |
300 | 178 | 445 | 400 | 12-22 | 12-26 | 220 | 320 | 103 |
350 | 190 | 505 | 460 | 16-22 | 16-26 | 264 | 358 | 120 |
400 | 216 | 565 | 515 | 16-26 | 16-30 | 298 | 400 | 217 |
450 | 222 | 615 | 565 | 16-26 | 327 | 420 | 242 | |
500 | 229 | 671 | 620 | 20-26 | 352 | 480 | 279 | |
600 | 267 | 780 | 725 | 20-30 | 446 | 560 | 396 | |
700 | 292 | 895 | 840 | 24-30 | 486 | 610 | 596 | |
上一条:电动法兰式不锈钢多层次硬密封蝶阀
下一条:D342X双偏心软密封蝶阀