蝶阀系列 当前位置: jinnian.vip> 产品中心> 蝶阀系列> 对夹式电动调节蝶阀
![]() |

ALDT941W-1/2.5/6C(ZAJW、ZKJW)电动调节通风蝶阀由DKJ角行程电动执行机构和蝶阀组成,它与电动单元组合仪表配合使用。对夹式电动调节蝶阀具有结构简单、口径大、重量轻、操作方便等优点。广泛应用于冶金、电站石油、化工等部门。适用介质,煤气、含尘气体、烟道气。
产品详情
ALDT941W-1/2.5/6C(ZDLW-6B、ZDRW-6K)型电子式电动调节蝶阀,是3610R(L)全电子式电动执行机构和蝶阀调节机构组成,执行机构内有伺服系弘,无须另配伺服放大器。具有结构简单,流通能力大,调节精度高等特点。执行机构可根据用户要求配置型号电子式电执行机构广泛应用于化工、石油、冶金、电站等工业生产过程中。适用介质,煤气、含尘气体、烟道气等。
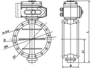
对夹式电动调节蝶阀主要外形及连接尺寸 D971(H、Y)-1.0、2.5(0.1、0.25MPa)

公称通径 | 外形尺寸 | 连接尺寸 | 执行器型号 | ||||||||||||
PN1.0 | PN2.5 | ||||||||||||||
L1 | L2 | H | H1 | L | D | D1 | b | n-φd | 1 | D | D1 | b | n-φd | ||
250 | 348 | 159 | 584 | 595 | 140 | 375 | 335 | 16 | 12-18 | 165 | 375 | 335 | 24 | 12-18 | GTD145 |
300 | 348/627 | 176/200 | 635/630 | 645 | 170 | 440 | 395 | 16 | 12-22 | 178 | 440 | 395 | 24 | 12-22 | GTD160/AW13 |
350 | 378/627 | 176/200 | 660/655 | 645 | 170 | 490 | 445 | 16 | 12-22 | 190 | 490 | 445 | 24 | 12-22 | GTD160/AW13 |
400 | 432/627 | 206/200 | 750/696 | 745 | 190 | 540 | 495 | 16 | 16-22 | 216 | 540 | 495 | 24 | 16-22 | GTD160/AW13 |
450 | 524/627 | 228/200 | 805/728 | 745 | 190 | 595 | 550 | 16 | 16-22 | 222 | 595 | 550 | 24 | 16-22 | GTD190/AW13 |
500 | 524/850 | 228/270 | 850/820 | 745 | 190 | 645 | 600 | 20 | 20-22 | 229 | 645 | 600 | 26 | 20-22 | GTD210/AW17 |
600 | 524/850 | 228/270 | 905/875 | 970 | 210 | 755 | 705 | 20 | 20-26 | 267 | 755 | 705 | 26 | 20-26 | GTD210/AW17 |
700 | 648/1158 | 275/350 | 1000/1084 | 970 | 210 | 860 | 810 | 20 | 24-26 | 292 | 860 | 810 | 26 | 24-26 | GTD255/AW20 |
800 | 648/1158 | 275/350 | 1060/1084 | 1020 | 210 | 975 | 920 | 20 | 24-30 | 318 | 975 | 920 | 26 | 24-30 | GTD255/AW20 |
900 | 648/1158 | 275/350 | 1110/1084 | 1220 | 250 | 1075 | 1020 | 20 | 24-30 | 330 | 1075 | 1020 | 26 | 24-30 | GTD255/AW20 |
1000 | 715/1158 | 324/375 | 1200/1126 | 1220 | 250 | 1175 | 1120 | 20 | 28-30 | 410 | 1175 | 1120 | 26 | 28-30 | GTD300/AW25 |
1200 | 715/1158 | 324/375 | 1330/1256 | 1240 | 250 | 1375 | 1320 | 20 | 32-30 | 470 | 1375 | 1320 | 28 | 32-30 | GTD300/AW25 |
1400 | 795/1448 | 380/460 | 1540/1483 | 1460 | 300 | 1675 | 1520 | 20 | 36-30 | 530 | 1675 | 1520 | 30 | 36-30 | GTD350/AW28 |
1600 | 795/1448 | 380/460 | 1605/1540 | 1250 | 300 | 1790 | 1730 | 24 | 40-30 | 600 | 1790 | 1730 | 34 | 40-30 | GTD350/AW28 |
1800 | 1880 | 545 | 1640 | 1520 | 300 | 1990 | 1930 | 24 | 44-30 | 670 | 1990 | 1930 | 36 | 44-30 | AW35 |
2000 | 1880 | 545 | 1740 | 1520 | 300 | 2190 | 2130 | 24 | 48-30 | 760 | 2190 | 2130 | 38 | 48-30 | AW35 |
上一条:电子式电动调节蝶阀
下一条:D342X双偏心软密封蝶阀