行业动态 当前位置: jinnian.vip> 资讯中心 >行业动态 >涡轮蝶阀具有哪些优点?涡轮蝶阀内部结构图
涡轮蝶阀是由涡轮头与蝶阀阀体组合而成的一种蝶阀,根据操作方式属于手动蝶阀的范畴,它的操作需要人工来进行,具体就是人工通过转动涡轮头上的手轮,来控制蝶阀的开启和关闭。
虽然同属于手动蝶阀,但是相比较来说,涡轮蝶阀的使用范围比手柄蝶阀更广,用途也多。原因是手柄蝶阀受到操作扭矩的限制,只适宜在管道口径小于DN250mm的场合使用,如果口径太大超过了这个口径范围,人工操作开关将变得十分困难,严重可能会导致手柄断裂。涡轮蝶阀因为配备了涡轮头,通过涡轮驱动使蝶阀的开启和关闭更加省力,所以涡轮驱动的蝶阀不论大小口径都非常适合。
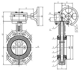
涡轮蝶阀结构图

涡轮蝶阀具有以下优势:
1.蜗轮箱防护等级达到IP65。
2.蜗轮箱定期做防尘和防喷淋型式试验,保证产品防护性能可靠。
3.蜗轮箱做强度试验,手轮端边缘加890N力,蜗轮头任何部位无损坏,无永久变形。
4.蜗杆采用45号钢调质处理,综合力学性能好,寿命长。
5.蜗杆与蜗杆轴连接销钉采用45号钢淬火处理,强度高,连接可靠。
6.箱盖与箱体的紧固件采用六角头螺栓和弹簧垫圈及平垫圈组合件,拆装方便,连接可靠。
7.蜗轮采用专用的蜗轮滚刀加工,配合紧密可靠,接触面宽,摩擦力小,同时可以自由装卸蜗轮,便于安装。
8.蜗轮与蜗杆采用正变位,齿厚加厚,刚性好,传动极限力矩大。