蝶阀系列 当前位置: jinnian.vip> 产品中心> 蝶阀系列> 手动通风蝶阀
![]() |

D341H、D341W 型 PN0.5~PN1 通风蝶阀是一种非密闭型蝶阀,在冶金、化工、建材、电站、玻璃等行业中的通风、环保工程的含尘冷风或热风气体管道中,碟板在90°范围内自由转动以达到启闭或调节介质流量的目的。作为气体介质调节流量或切断装置。
产品详情
手动通风蝶阀特点
1、采用中线式碟板与短结构钢板焊接的新型结构形式设计制造的,结构紧凑、重量轻、便于安装、流阻小、流通量大,避免高温膨胀的影响,操作轻便
2、内无连杆、螺栓等、工作可靠、使用寿命长。可以多工位安装,不受介质流向影响
手动通风蝶阀结构图片

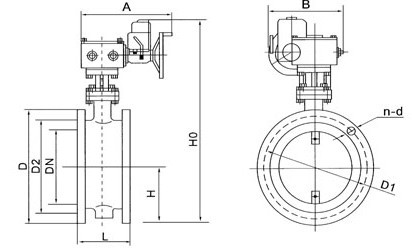
手动通风蝶阀主要外形和连接尺寸
公称通径 | 主要外形尺寸和连接尺寸 | |||||||
L | D1 | D | Z-d | H | H0 | A | B | |
50 | 108 | 110 | 140 | 4-14 | 70 | 215 | 270 | 65 |
65 | 112 | 130 | 160 | 4-14 | 80 | 235 | 270 | 65 |
80 | 124 | 150 | 190 | 4-18 | 95 | 263 | 270 | 65 |
100 | 127 | 170 | 210 | 4-18 | 105 | 283 | 270 | 65 |
125 | 140 | 200 | 240 | 8-18 | 120 | 313 | 310 | 65 |
150 | 140 | 225 | 265 | 8-18 | 132.5 | 338 | 310 | 65 |
200 | 152 | 280 | 320 | 8-18 | 160 | 493 | 365 | 90 |
250 | 165 | 335 | 375 | 12-18 | 187.5 | 550 | 365 | 90 |
300 | 178 | 395 | 440 | 12-22 | 220 | 615 | 365 | 90 |
350 | 190 | 445 | 490 | 12-22 | 245 | 678 | 365 | 90 |
400 | 216 | 495 | 540 | 16-22 | 270 | 727 | 365 | 90 |
450 | 222 | 550 | 595 | 16-22 | 297.5 | 782 | 365 | 90 |
上一条:气动通风蝶阀
下一条:D342X双偏心软密封蝶阀