蝶阀系列 当前位置: jinnian.vip> 产品中心> 蝶阀系列> 耐腐阀门
![]() |

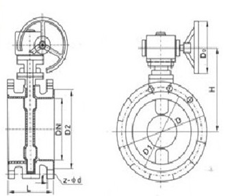
耐腐阀门D341F46是为了适应一些具有强酸、强碱的腐蚀性环境,石油、化工、食品等多个特殊领域的需要,在常规蝶阀的阀内和阀板上衬聚四氟,使介质和阀体隔离,达到防腐的效果。耐腐阀门在常规条件下可以替代不锈钢阀体,具有更高的性价比。蝶阀的蝶板安装于管道的直径方向。在蝶阀阀体圆柱形通道内,圆盘形蝶板绕着轴线旋转,旋转角度为0°~90°之间,旋转到90°时,阀门则牌全开状态。D341F型法兰衬氟蝶阀适用于各种不同类型工业管道中液体和气体(包括蒸 气)的输送,特别是具有严重腐蚀性介质的使用场合,如:硫酸、氢氟酸、磷酸、氯气、强碱、王水等具有强腐蚀性的介质。
产品详情
耐腐阀门采用的材料
聚全氟乙烯 FEP (F46)
适用介质:
任何有机溶剂或试剂,稀或浓无 机 酸,碱,酮,芳烃,氯化烃等。
使用温度:
-85~150
特点:力学,电性能和化学稳定性基本与F4相同,但突出优点是动击韧性
高,有极好的耐候性和辐射性。
聚三氟乙烯 PCTEF (F3)
适用介质:
各种有机溶剂,无机腐蚀液(氧化性酸类)
使用温度:-195~120
特点:耐热性,电性能和化学稳定性仅次于F4,机械强度,蠕变性能,硬度比F4好些
聚丙烯: RPP
适用介质:无机盐类的水溶液,无 机 酸类,碱类的稀或浓溶液。
使用温度:-14~80
特点:最轻的塑料之一,其屈服,拉伸和压缩强度,硬度均优于低压聚乙烯,有很突出的刚性,耐热性好,易成型,优廉。改性后动击性,流动性,弯曲弹性。
聚氯乙烯: 硬质)PVC
适用介质:耐水,浓碱,非氧化性酸,链烃,油和臭氧等。
使用温度:0-55
特点:机械强度较高,化学稳定性及介电性能优良,耐油性和抗老性也较好,易熔接
及粘合,价格较低。
聚四氯乙烯 PTFE(F4)
使用介质:强酸,强碱,强氧化剂等。
使用温度:-200~180
特点:具有优异的化学稳定性,有很高的耐热性,耐寒性,磨擦系数很低,是极好的 自润滑材料,但机械性能较低,流动性差,热膨胀大。
聚偏氯乙烯 PVDF(F2)
使用介质:耐大多数化学药品和溶剂,
使用温度:-70~100
特点:拉绅强度与压缩强度比F4好,耐弯折,耐候,耐辐射。耐光和老化等,最大特 点是韧性好,易成型。
聚烯烃:PO
适用介质: 各种浓度的酸碱盐及某些有机溶剂。
使用温度:-58~80
特点:是目前世界最理想的防腐材料,已广泛用于旋转成型的大型设备和管道件内衬。
耐腐阀门主要零部件材料表
序号 | 零件名称 | 灰铸铁 | 铸钢 | 不锈耐酸铸钢 | 超低碳不锈耐酸铸钢 | ||
Z | C | P8 | R8 | P3 | R3 | ||
1 | 阀体/阀盖 | A126-C | A216-WCB | A351-CF8 | A351-CF8M | A351-CF3 | A351-CF3M |
2 | 蝶板 | A216-WCB | A105 | A351-CF8 | A351-CF8M | A351-CF3 | A351-CF3M |
3 | 阀杆 | A182-F6 | A182-F304 | A182-F316 | A182-F304L | A182-F316L | |
4 | 衬里/阀座 | PTFE(F4),PCTEF(F3),FEP(F46),PFA(可溶F4),PP,PO | |||||
5 | 紧固销 | A182-F6 | A182-F304 | A182-F316 | A182-F304L | A182-F316L | |
6 | 填料 | PTFE(F4) | PTFE(F4) | PTFE(F4) | |||
7 | 填料压盖 | A216-WCB | CF8 | CF8M | CF8 | CF3M | |
8 | 支架 | A216-WCB | A351-CF8 | A351-CF8 | |||
9 | 紧固螺栓 | A193-B7 | A193-B8M | A193-B8M | |||
10 | 螺母 | A194-2H | A194-8 | A194-8 | |||

耐腐阀门主要外形和连接尺寸
公称通经 | L | D | D1 | D2 | f | b | Z-φd | |
DN(mm) | NPS(inch) | Class 125Lb/150Lb | ||||||
80 | 3 | 127 | 190 | 152.5 | 127 | 2 | 19 | 4-φ19 |
100 | 4 | 127 | 229 | 190.5 | 157 | 2 | 24 | 8-φ19 |
125 | 5 | 127 | 254 | 216 | 186 | 2 | 24 | 8-φ22 |
150 | 6 | 127 | 279 | 241.5 | 216 | 2 | 26 | 8-φ22 |
200 | 8 | 152.4 | 343 | 298.5 | 270 | 2 | 29 | 8-φ22 |
250 | 10 | 203.2 | 406 | 362 | 324 | 2 | 31 | 12-φ25 |
300 | 12 | 203.2 | 483 | 432 | 381 | 2 | 32 | 12-φ25 |
350 | 14 | 203.2 | 533 | 476 | 413 | 2 | 35 | 12-φ29 |
400 | 16 | 203.2 | 597 | 540 | 470 | 2 | 37 | 16-φ29 |
450 | 18 | 203.2 | 635 | 578 | 533 | 2 | 40 | 16-φ32 |
500 | 20 | 203.2 | 699 | 635 | 584 | 2 | 43 | 20-φ32 |
600 | 24 | 203.2 | 813 | 749.5 | 692 | 2 | 48 | 20-φ25 |
750 | 30 | 304.8 | 887 | 846 | 813 | 2 | 45 | 44-φ23 |
900 | 36 | 304.8 | 1057 | 1009.7 | 972 | 2 | 53 | 44-φ26 |
1050 | 42 | 304.8 | 1226 | 1171.4 | 1130 | 2 | 59 | 48-φ29 |
1200 | 48 | 381 | 1392 | 1335 | 1289 | 2 | 65 | 44-φ32 |
上一条:对夹蝶阀
下一条:D342X双偏心软密封蝶阀